Current Transformer CT
Nulla Sequence Ct Current Transformer Doughnut Type
  • Nulla Sequence Ct Current Transformer Doughnut TypeNulla Sequence Ct Current Transformer Doughnut Type
  • Nulla Sequence Ct Current Transformer Doughnut TypeNulla Sequence Ct Current Transformer Doughnut Type

Nulla Sequence Ct Current Transformer Doughnut Type

Ad producendum solidam qualitatem nulla series ct current commutator donut typus, Wenzhou XiFa Electric Power Equipment Co, Ltd adoptat rudis materias cum bona qualitate et competitive pretium. In processu flexae, Wenzhou XiFa oxygenium liberum aeri innominatum filum adoptat ut electricum conductivity et mechanicas vires ad singulas nullas consequentias et transfigurator donut generis current. Interim in processu nuclei producendi, Wenzhou XiFa utitur alte permeabilitatis magneticae laminae siliconis ferro ad servandum optimum effectum in responsione sensitiva ad minima nulla sequentia currentis.

Nulla series ct commutator currentis unus tractus est, per nucleum systemata adhibita in potentiarum systematum monitoriis nullas series excursus. Haec pars critica est systematis tutelaris nuntiandi, quae imprimis adhibita est ad deprehendendas culpas, incursus lacus, et vigilantia insulationis. Sentiendo vector summam trium phase excursuum et nulla consequentia sequentiarum currentium, nulla series ac transmutator currentes operationes tutelae trigger et interfaciunt cum selectoribus humilis currentis fundationis, machinas suppressiones digitales harmonicas, et nullam tutelam unitates ad summas culpas et potentiam disiungendam praebent.

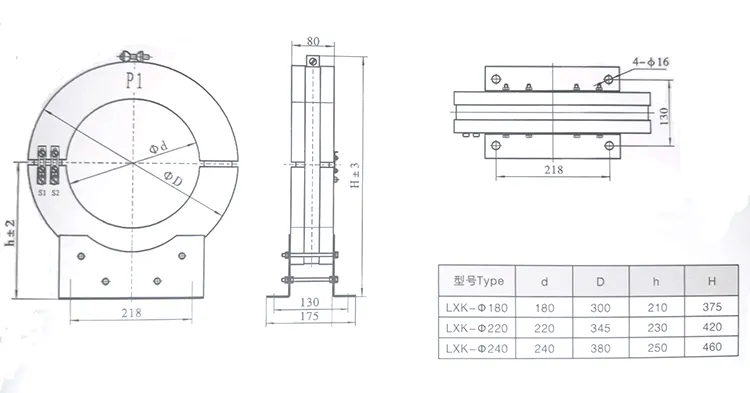
Structura, nulla series ct commutator currentis consistit in nucleo toroidali et secundario sinuoso encapsulato intra epoxy resinae vel siliconis iuvantis habitationem, humorem resistentiae et pollutionis super tutelam mico praebentem. Optiones institutionis includunt solidas, quae rudentes prae- passas requirit et consilia nucleorum secanda sunt, quae retroficere sine funibus disiunctis sinunt.

Compatitur cum 50 Hz systematis potentiae, quae sensum et linearitatem praebet ad varias figurationes punctum neutrum, inclusis systematibus fundatis et non fundatis. Nulla series et transformatores venae late applicantur in grids captivorum, transitus railum, systemata electrica aedificandi, ac industriae magnae armorum, ut certae deprehendendi et systematis tutelae mendum praebeant.

Zero Sequence Ct Current Transformer Donut TypeZero Sequence Ct Current Transformer Donut Type

Type Genus Nullam Connection Metod Scale Value Praecipua Current Type Genus Nullam Connection Metod Scale Value Praecipua Current
LXK-Φ80 LXK-Φ100 LXK-Φ120 LXK-Φ150 DD11/60 Series 15*1 2.4-4.5 LXK-Φ180 LXK-Φ220 LXK-Φ240 DD11/60 Series 15*1 2.4-4.5
30*1 30*1
Parallel 15*2 3-5 Parallel 15*2 3-5
30*2 30*2
DD1/60 Series 15*1 3-5 DD1/60 Series 15*1 3-5
30*1 30*1
Parallel 15*2 3-6 Parallel 15*2 3-6
30*2 30*2

Zero Sequence Ct Current Transformer Donut Type

Product FAQ:

Q: What is a donut type zero sequence and current transformer?

A donut typus nulla series CT current transformator est per nucleum fabrica disposito ad nulla seriei cursus deprehendere in tribus systematibus phase. Core toroidale eius permittit primarium conductorem per centrum transire, providens non praepotentia vigilantia vitiorum, incursus lacus, et condiciones insulationis.

Q: Quomodo donut typus nulla seriei ac transfigurator currentis output signum facit?

A: Donut typus nulla seriei et transfigurator currenti convertitur nulla seriei currentis in proportionalem intentionem vel secundariam currentem utentem subtilitatem curvis et technologiam Rogowski coil. Haec output compatitur cum mensuris, metris, et vigilantia rationum celeritatis et accuratae culpae detectionis.

Q: Quaenam sunt applicationes typicae donut generis nulla seriei ac transformatoris currentis?

A: donut genus nulla series ct vena commutator vulgo in:

1. Culpa tutelae et lacus deprehensio current;

2. Neutrale punctum magna in potestate systemata distribuendi;

3.Integration cum praesidiis digitalibus, machinis suppressionis harmonicae, ac rationum vigilantium rationum dolori elaborandi.

4. Instrumentum industriae, retiacula electrica aedificans et systemata transit in rail.




Hot Tags: Nulla Sequence CT Current Transformer, Doughnut Type CT, Culpa Protectionis Transformer
Mitte Inquisitionem
Contactus info

Ut ASAP tuum quotation

XiFa-vestra certa electrica apparatu elit
X
Crusulis utimur ut meliorem experientiam pasco tibi praebeamus, situm negotiationis et personalize contentus analyse. Hoc situ utendo, ad nostrum crustulorum usum consentis. Privacy Policy
Reject Accipe