Current Transformer CT
Resina Mitt Electrical Ct Current Transformer
  • Resina Mitt Electrical Ct Current TransformerResina Mitt Electrical Ct Current Transformer
  • Resina Mitt Electrical Ct Current TransformerResina Mitt Electrical Ct Current Transformer

Resina Mitt Electrical Ct Current Transformer

Wenzhou XiFa Electrica Potestas Equipment Co., Ltd est fabricare professionalis ad resinam emissam electricam ct venam producendam, ubi in 10 kv ad 35 kv switchgear electricam adoptat. In Wenzhou XiFa, manipulus producens epoxy resinam in vacuo ambitu mittentem ad bullas in latere commutatoris currentis removendas et ne in superficie partiali emittatur. Interea resinae electricae ct venae transformatoris iactum destinatur sicut structurae multae iacuit insulationis ad melius perficiendum in voltage resistentia et diuturna stabilitate perficiendi.

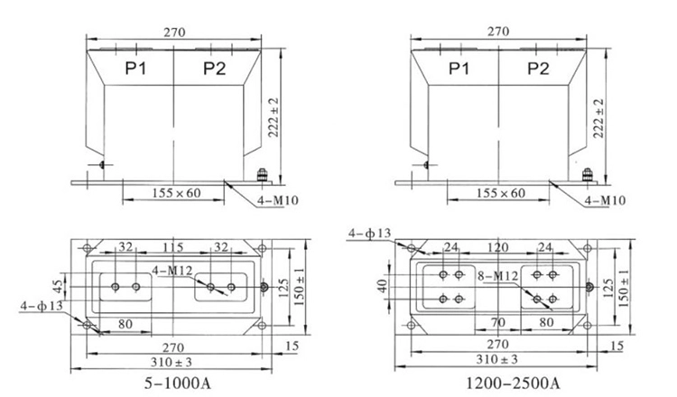
Resina electrica ct venae transformator iactus est umbraculum, resina epoxy, resina vacuum, post genus unitatis destinatum pro 10kv voltage, systematis potentiae campestri cum frequentia aestimata 50 Hz. Praesertim ad usum currentis mensurae, industriae metrorum ac tutelae reiciendae.

Resina electricum et venalem eiectum transformatorem plene inclusum accipit resinae resinae processum inclusum, in quo nucleus fit ex alto gradu materiae magneticae, et tam primariae quam secundariae orbiculae una cum nucleo resinae infixae sunt. Haec constructio optimam observantiam praebet in velitatione, resistentia humore, et resistentia pollutionis. Superficies resinae fundentis electricae ct venae transformatoris nullam additionalm tunicam requirit, et hodierna commutator in multiplicibus positionibus institui potest.

Circumscriptio utraque metiendi classes comprehendit, ut 0.2S et 0.5S, et classes tutelae, ut 10P10 et 10P20. Multi ratio consilium praesto est in resinae electricae et venae transformantis, ad usum in metallicis tabulis electricis obductis accommodatum.

Resin Cast Electrical Ct Current TransformerResin Cast Electrical Ct Current Transformer

Specificationis technicae:

Type Primae Rated Current (A) Sagaciter Classis Accuracy Class and Rated Output cosΦ=0.8 Shory-Tempus scelerisque Current (KA/S) Rated Dynamic Current (ka)
0.2 (s) 0.5 (s) 10P10 10P15 10P20
LZZBJ9-10 5-150 0.2s/0.5 0.2s/10P 0.2/10P 0.5s/10P 0.5/10P 10 10 15 15 10 100I1n 250I1n
200-300 31.5 80
400-500 45 112
600-1000 63 130
1200-1500 80 160
2000-250 100 180

Resin Cast Electrical Ct Current Transformer

Product FAQ:

Q: Quaenam parametri technicae unum reprehendo cum eligendo resinam electricam ct venam commutatorem?

A: sequens clavem parametri erit reprehendo cum eligens:

1.Accuracy class: Pro metering/mensurae (exempli gratia 0,2s vel 0.5) et proposita tutela (exampla 10P10, 5P10, etc.).

2. Rated current prima et secundaria (ratio transformationis).

3. Brevis temporis currentis scelerisque (Ith) et brevis temporis currentis facultatis resistendi (pro condiciones culpae).

4.Insulation campester (intentio sustinere, impulsum voltage rating, etc.).

5. Environmental tolerantiae: Temperatura range, altitudo, humiditas, pollutio campestris.

6.Burden: VA secundarium onerat sine cura turpiter repellere debet.

Q: In quibus ambitus vel applicationes resinae electricae ct venae transformatores maxime idonei sunt?

A: sequentes ambitus vel applicationes aptae sunt ad resinam electricam ct venam commutatorem emissam;

1. Indoor switchgear, ubi spatium limitatum est et vis pendet.

2.In ambitus duri vel inquinati (pulvis, umoris, oeconomiae) ubi partes apertae vel oleum degradare potuerunt.

3. In circuitu metrorum et tutelae, qui stabilis, accurata mensura per longa tempora requirunt.

4.Applicationes magni momenti sunt ubi humilis sustentatio et summa fides.

Hot Tags: Resina mitte Current Transformer Supplier, Electrical CT Transformer Manufacturer, Custom CT Transformer Wholesale
Mitte Inquisitionem
Contactus info

Ut ASAP tuum quotation

XiFa-vestra certa electrica apparatu elit
X
Crusulis utimur ut meliorem experientiam pasco tibi praebeamus, situm negotiationis et personalize contentus analyse. Hoc situ utendo, ad nostrum crustulorum usum consentis. Privacy Policy
Reject Accipe