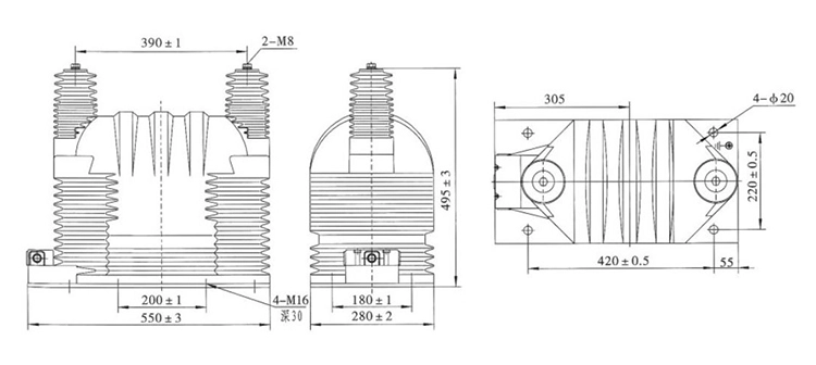
Potentia Transformer PT
33kv High Voltage Single Phase Potential Transformer
  • 33kv High Voltage Single Phase Potential Transformer33kv High Voltage Single Phase Potential Transformer

33kv High Voltage Single Phase Potential Transformer

Wenzhou XiFa Electric Power Equipment Co., Ltd est peritus fabricare ad producendum 33kv altum voltage una Phase potentia TRANSFIGURATOR et currens commutator. Wenzhou XiFa optimam qualitatem resinae utitur ad perficiendum melius in velitatione, ut diu terminus operationis sub alta intentione sine naufragii vel partialis missione. Quilibet 33kv alta intentione unius Phase transformatoris potentiale necesse est ut epoxy resinam emittat sub adiunctis vacuo ad vitam serviendi longiorem consequendam ad 20 vel 30 annos. Ante partum, fundamentalis specificatio technica essentialis est metiri ut potentia frequentiae sustinere intentionem, missionem partialem, resistentiam velitalem, accurationem, verticitatem et temperiem oriatur.

Product Features:

1. Structura, a 33kv alta intentione unius phase transformantis potentiale videri potest parva capacitas et ratio princeps potentiae transformantis gradus descendendi. Sed commutator potentiae dissimilis est,  apotentiale TRANSFIGURATORindustria pro onus copia non transfert. Loco, magni ponderis munus in mensura et tutela agit.

2. Secundarius ambitus coniungitur instrumentis mensuris, subsidiis tutelaribus, ac machinis latis, quorum gyros voltagenum maxime altum et essentialiter constantem praebent impedimentum. Quam ob rem, secunda vena minima est, similis sine onere conditioni potentiae transformantis. Potentia consummatio a 33kv altae intentionis unius phase transformantis potentiae valde humilis est, et secundaria intentione fere aequalis manet EMF inducto, quod constanti prima intentione determinatur. Accuratiam inquisitam aequalem efficit mensurae intentionis.

3. Secundario flexus transformatorum potentialium nunquam brevi circuitione debet. Sub normali operatione, sarcina 33kv altae intentionis unius Phase potentiae transformator est magnae machinae impedimentum, at si brevis circuitio incidit, solum factor limitans impedimentum est flexae. Hoc efficere potest ut in ambitu brevis currentis nimis altae, lectiones metri falsas, operationes nullas falsas, vel etiam detrimentum permanentem potentiae transformantis efficere possit.

4. Terminus utriusque flexae secundae et nulla seriei flexae fundari debet. Si non fundatio, culpa in systematis primariae periculose altas intentiones in has ambages inducere potuit, quae graves periculorum instrumenta, instrumenta, dispositos et personas tutantur.

33kv High Voltage Single Phase Potential Transformer

Specificationis technicae:

Type Ratio intentionis (kV) Sagaciter Classis Accuracy Class and Rated output cosΦ=0.8 The Max. Output (VA)
0.2 0.5 1 3
JDZ9-35Q 35/0.1 0.2 0.5 1 3 30 120 240 600 1200
35/0.1/0.1 0.2/0.2(0.5) 30 30 N/A N/A 600
0.5/0.5 N/A 60

33kv High Voltage Single Phase Potential Transformer

Product FAQ:

Q: Quid est aestimavit onus 33kv altum intentione unius Phase potentia TRANSFIGURATOR?

A: Onus aestimatum vulgo vagatur ab 25 VA ad 200 VA secundum applicationem. Firmam accurationem efficit ut instrumenta metiendae et mensae tutelae sine transformatore obruantur.


Q: Quomodo est 33kv alta intentione una Phase potentia TRANSFIGURATOR fundatus est?

A: Secundae curvae plerumque fundantur in uno puncto ad conservandum referentiam potentialem et ad salutem tutandam. iuvat voltages fluitantia vitare et periculum defectum insulationis minuere.


Q: Num una periodus PT coniungi potest tribus phase mensuris?

A: Scilicet. Ad tria Phase systema, tres una phase PTs coniungi possunt in stella vel aperta della dispositione, quae pendet a plena periodo ad phas et phase ad terram voltages ut viverra vel non opus sit.




Hot Tags: 33kv High Voltage Single Phase Potential Transformer Supplier, High Voltage Single phase Transformer Wholesale, Industrial Potential Transformer Manufacturer
Mitte Inquisitionem
Contactus info

Ut ASAP tuum quotation

XiFa-vestra certa electrica apparatu elit
X
Crusulis utimur ut meliorem experientiam pasco tibi praebeamus, situm negotiationis et personalize contentus analyse. Hoc situ utendo, ad nostrum crustulorum usum consentis. Privacy Policy
Reject Accipe